Ohm's Law Lab

2-minute read
Made by ChickenFryBytes Studios
Table of Contents

Theory

Ohm’s Law states that the current flowing through a conductor is directly proportional to the voltage across its ends, given that temperature remains constant. It is represented by the equation:

$$ \begin{equation}\begin{aligned} V=IR\\ \end{aligned}\end{equation} $$

This means that resistance is simply the ratio of the voltage applied to the current flowing through the resistor/conductor:

$$R=\frac{V}{I}$$

Thus we can determine the resistance of a device in a circuit by varying the voltage applied to it and measuring the corresponding current.

Aim

To determine the electrical resistance of a passive device in a circuit by using Ohm’s Law

Materials/Apparatus

  • Rheostat
  • Voltmeter
  • Ammeter

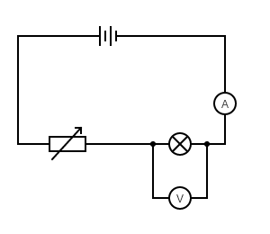
Diagram

Ohm-S-Law-Lab.png Diagram showing the circuit diagram for the circuit to be used to determine resistance

Method

  1. Set up the circuit as depicted in the diagram above
  2. Set the voltage of the student’s power supply to 6 volts
  3. Adjust the rheostat to a random position
  4. Measure and record the voltage across and current through the bulb
  5. Repeat steps 3 and 4 for a total of 5 sets of readings

Results

Table 1 Table showing format for recording the results of the lab
VoltageCurrentResistance

Data Analysis

  1. Find the resistance for each voltage-current pair in the table above
  2. Plot a graph of voltage versus current
  3. Calculate the gradient of the best fit line
  4. From the gradient, determine the resistance of the bulb

Created using natural intelligence


Like our content? Support us via Donations